硬件开源-Model-3C简称M3芯片驱动RGB接口86中控屏PCBA原理图
目录

硬件开源–Model 3C(简称M3)芯片驱动RGB接口86中控屏PCBA原理图
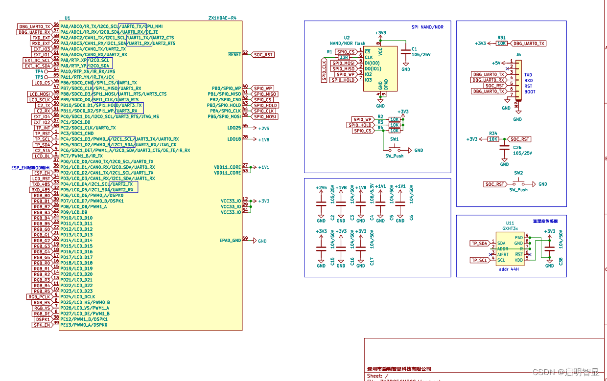
针对市场IOT应用需求,基于启明智显的Model3C芯片(简称M3)设计开发的一款超高性价比的86型中控屏PCBA原理图开源。

Model3C芯片(简称M3)是一款基于 RISC-V 的高性能、国产自主、工业级高清显示与智能控制 MCU,配备强大的 2D 图形加速处理器、PNG/JPEG 解码引擎、支持工业宽温。
86型中控屏方案选择了存储为4M PSRAM的M3C芯片和外挂16MB Flash,驱动RGB接口分辨率为480*480 的IPS 全面触屏,刷新率可高达60FPS;同时主板还搭载乐鑫的ESP32-C2模组,实现WIFI 、蓝牙通信。
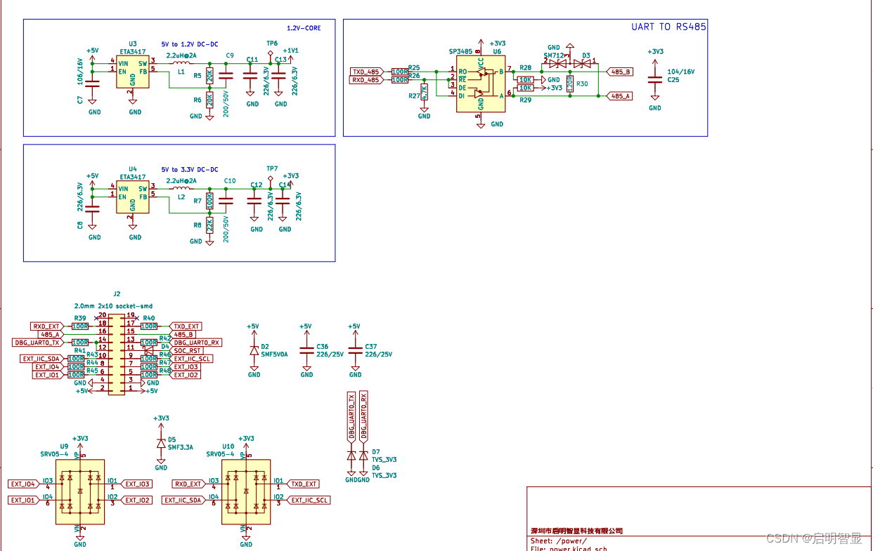
86型中控屏方案支持RS485、USB、通用IO等,以下是PCBA主板原理图:





基于启明智显的Model3C芯片(简称M3)86中控面板,不仅可以提供原理图,同时设计源文件也是可以开放的!您可以与他们联系,请求获取设计源文件。他们还会提供官方支持或文档。
