嵌入式蓝桥杯STM32G431HAL库开发CT117E学习笔记01赛事介绍与硬件平台
目录

嵌入式|蓝桥杯STM32G431(HAL库开发)——CT117E学习笔记01:赛事介绍与硬件平台
系列文章目录
前言
蓝桥杯嵌入式是本人参加的第一次学科竞赛,之前没怎么学过嵌入式,算是零基础。因为课题组而选择了嵌入式的方向,以后还有很长的路要走,STM32单片机是我的嵌入式生涯第一站,决心要认真学好,在比赛中锻炼自己的单片机水平,有了这个基础以后进一步学习嵌入式才能走的更远。
一、赛事介绍
1.比赛形式
蓝桥杯嵌入式个人赛省赛:考试时间5小时,总分100,分客观题和主观题,客观题15条选择题,每题1分,主观题85分的程序设计题。
2.开发环境
硬件平台:四梯嵌入式竞赛实训平台( 型号:STM32G431RBT6)
环境配置:STM32CubeMX(安装HAL库)
MDK535(安装MDK器件包)
JRE
(如果是win10以下系统的话需要安装usb转串口驱动程序)
关于软件的安装包及教程我会放在下一篇文章中。
二、硬件平台
1.开发板

蓝桥杯嵌入式开发板为国信长天CT117E-M4,它的主控芯片为STM32G431RBT6。
主要特点:
- 采用Cortex-M4 32位RISC核心架构,工作频率最高可达170Mhz。
- 128kBytes的FLASH,32kBytes的SRAM。
- 封装形式LQFP 64,引脚个数64pin,其中I/O个数52pin。
- CORDIC数学函数硬件加速,FMAC滤波函数硬件加速,CRC校验计算单元,RNG(Random Number Generator)随机数生成器。
- 2个12位的adc,4个比较器,3个运算放大器,4个DAC通道(2个外部和2个内部),1个内部电压参考缓冲器。
- 1个低功耗RTC(Real-Time Clock),1个通用32位定时器,2个16位PWM定时器(专用于电机控制),7个通用16位定时器,1个16位低功耗定时器。
- 1个FDCAN,3个I2C,3个SPI和2个I2S冲突复用(其中的2个I2S和SPI引脚冲突),1个SAI(Serial Audio Interface)音频接口。
- 3个USART,1个UART,1个低功耗UART,一个全速USB(12MBit/s),1个UCPD。
资源:
- STM32G431RBT6微控制器。
- 1路USB转串口。
- 2.4寸TFF-LCD。
- 4个功能按键,1个复位按键。
- 8个LED。
- E2PROM:AT24C02。
- 可编程电阻:1(100k)。
- 信号发生器:2路。
- 分压电位器:2个。
- 扩展接口(J1、J3):2。
- 调试器:CMSIS DAP Link
硬件布局:

跳线:

电位器:

接口:

2.调试器设置
(下载完成后)进入Keil,点击魔法棒图标,进入调试器设置界面,在Debug下选择CMSIS DAP Link调试器。

点击Settings,选择SW模式。

点击Flash Download,进去之后勾选Reset and Run。

点击OK即可配置完成,以后可直接使用Keil自带的下载与调试功能。
3.USB转串口驱动
Windows7、8需要通过设备管理器安装USB转串口驱动程序CMSIS_DAP.inf。Win10以上操作系统则不需要安装。(驱动程序我上传了)

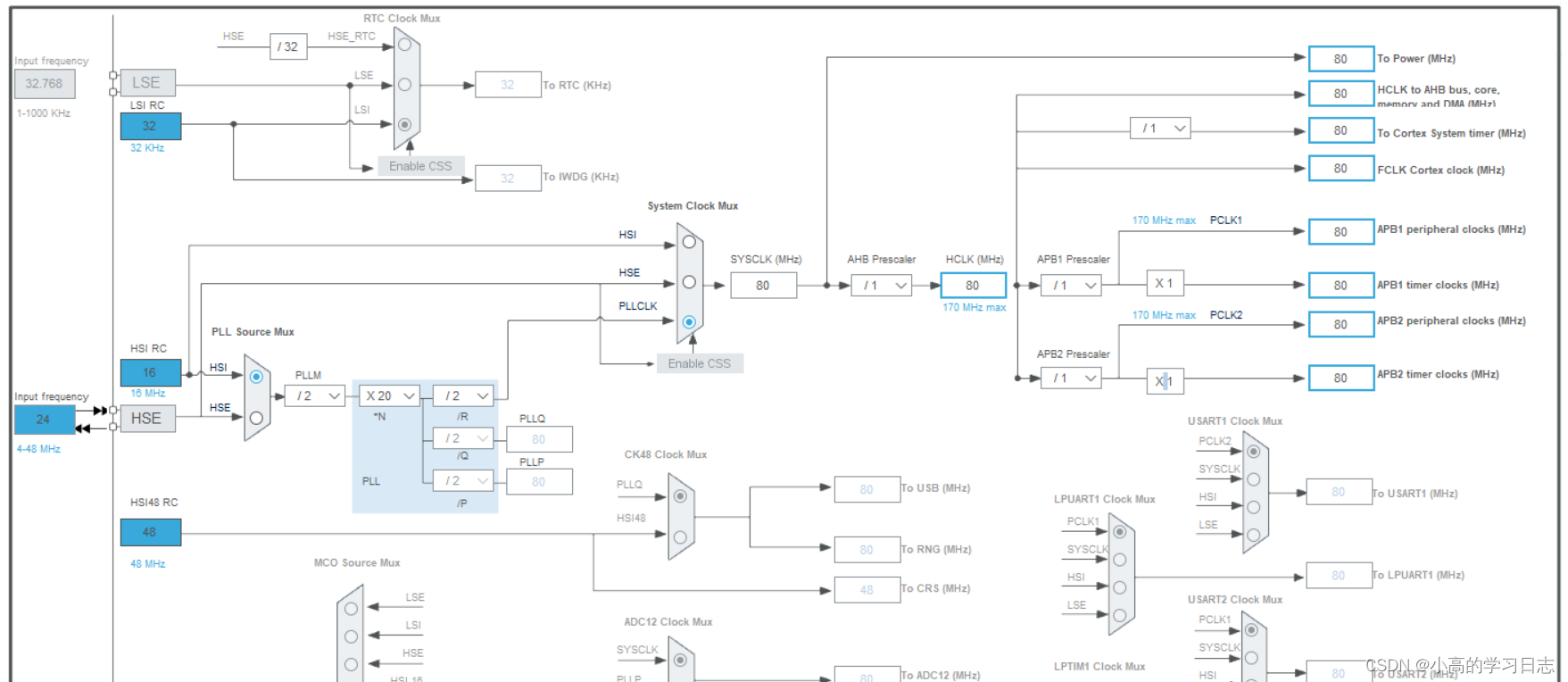
4.时钟参考配置

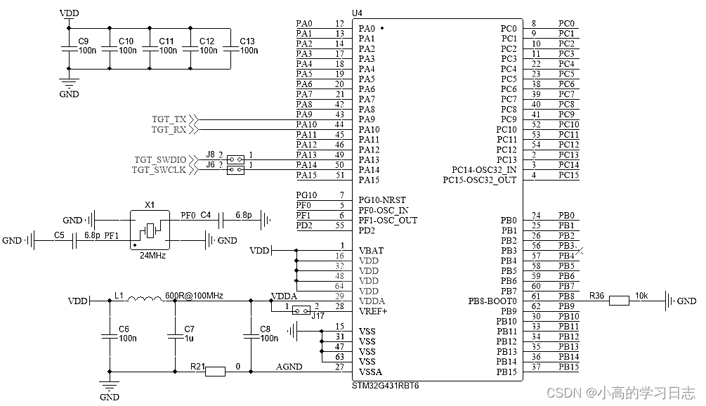
5.原理图
调试器与MCU:



信号发生器:

模拟输出:

LED指示灯:

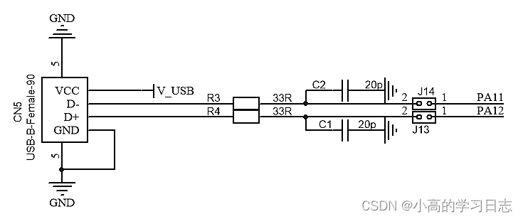
USB:

LCD:

按键:

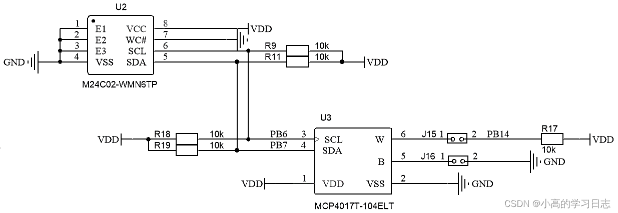
I2C总线:

扩展接口:


总结
以上就是蓝桥杯嵌入式的软硬件环境,里面很多内容都是后面要用到的,后面要用到各模块时可以参考本篇的原理图,以及后面进行时钟配置时也要用到本篇内容。
下一篇将正式开始搭建开发环境。
